

Tout nos produits sont garantis 1 an, sous réserve de sa bonne utilisation.
Si commande avant 16h et sans contre-indication de notre part, départ le même jour.
Cliquez ici pour accéder aux conditions de livraison et retour
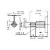
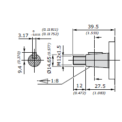
Pompe groupe 2
Marque Galtech, modèle Xtreme
Cylindrée : 29,1cc
Arbre conique 1:8 (std italien)
Flasque 4 trous rectangulaire 71,5 x 96,2 centrage Ø36,5 (std italien)
Aspiration taraudée G3/4''
Refoulement taraudée G1/2''
Rotation droite
Pression de fonctionnement cont/int/max : 150/160/170bars
Votre avis ne peut pas être envoyé
Signaler le commentaire
Signalement envoyé
Votre signalement ne peut pas être envoyé.
Donnez votre avis sur ce produit
Avis envoyé
Votre avis ne peut être envoyé
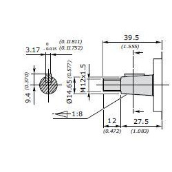
Pompe groupe 2
Marque Galtech, modèle Xtreme
Cylindrée : 29,1cc
Arbre conique 1:8 (std italien)
Flasque 4 trous rectangulaire 71,5 x 96,2 centrage Ø36,5 (std italien)
Aspiration taraudée G3/4''
Refoulement taraudée G1/2''
Rotation droite
Pression de fonctionnement cont/int/max : 150/160/170bars
Fiche produit sur notre site web
Documentation technique du produit
check_circle
check_circle