

Tout nos produits sont garantis 1 an, sous réserve de sa bonne utilisation.
Si commande avant 16h et sans contre-indication de notre part, départ le même jour.
Cliquez ici pour accéder aux conditions de livraison et retour
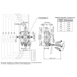
Distributeur monobloc à commande manuelle
Débit nominal 120l/min - Tout orifices en G3/4''
Limiteur de pression réglable 81-200bars
Pression max distributeur (hors LP principal) : 350bars
Nombre de fonction : 2
S.E : A fermé au neutre, rappel ressort
Retour direct sans fonction centre à suivre
Pas de peinture
ATTENTION : la manette n'est pas incluse ! Il faut la commander en séparée.
Téléchargement
Accessoires compatibles avec ce produit
Votre avis ne peut pas être envoyé
Signaler le commentaire
Signalement envoyé
Votre signalement ne peut pas être envoyé.
Donnez votre avis sur ce produit
Avis envoyé
Votre avis ne peut être envoyé
Distributeur monobloc à commande manuelle
Débit nominal 120l/min - Tout orifices en G3/4''
Limiteur de pression réglable 81-200bars
Pression max distributeur (hors LP principal) : 350bars
Nombre de fonction : 2
S.E : A fermé au neutre, rappel ressort
Retour direct sans fonction centre à suivre
Pas de peinture
ATTENTION : la manette n'est pas incluse ! Il faut la commander en séparée.
check_circle
check_circle